Questo sito usa i cookie per fornirti un'esperienza migliore. Cliccando su "Accetta" saranno attivate tutte le categorie di cookie. Per decidere quali accettare, cliccare invece su "Personalizza". Per maggiori informazioni è possibile consultare la pagina .
Categorie
- ALBERI TRASMISSIONE E CROCIERE
- ALTERNATORI
- AMMORTIZZATORI
- AMMORTIZZATORI COMPONENTI
- BRACCI SOSPENSIONE
- CAVI CAMBIO MANUALE E RICAMBI
- CAVI FRENO A MANO
- CUSCINETTI RUOTA E MOZZI
- DISCHI FRENO
- FRIZIONE POMPE CILINDRETTI
- GOMMINE BARRE E SILENT-BLOCK
- GUARNIZIONI E PARAOLI
- KIT DISTRIBUZIONE CATENA
- KIT DISTRIBUZIONI
- KIT FILTRI
- KIT FRIZIONI E VOLANI
- KIT GIUNTI RUOTA / CAMBIO
- KIT PASTIGLIE FRENO
- KIT REVISIONE BOCCIA
- LAMPADE LED
- LEVA RINVIO STERZO
- MOTORINI AVVIAMENTO
- POMPE ACQUA
- POMPE CARBURANTE MECCANICHE
- POMPE FRENO
- PULEGGE ALBERO MOTORE
- PULEGGE ALTERNATORE
- RISCALDAMENTO ABITACOLO
- SCAMBIATORI DI CALORE OLIO-ACQUA
- SCATOLE GUIDA
- SENSORI.
- SUPPORTI ALBERO TRASMISSIONE
- SUPPORTI MOTORE E CAMBIO
- TESTINE STERZO E SOSPENSIONE.
- TIRANTI SOSPENSIONE E STERZO.
- TUBI CARBURANTE
- VALVOLE EGR
- VASCHETTE ACQUA RAFFREDAMENTO
Descrizione
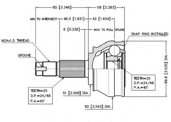
Tipo giunto[=>]Giunto omocineticoDentatura esterna lato ruota[=>]25
Dentatura interna, lato ruota[=>]25
Diametro fascia elastica [mm ][=>]59
Diametro esterno [mm][=>]89
trattato meccanicamente[=>]senza incisione parte interna
Materiale[=>]Gomma
